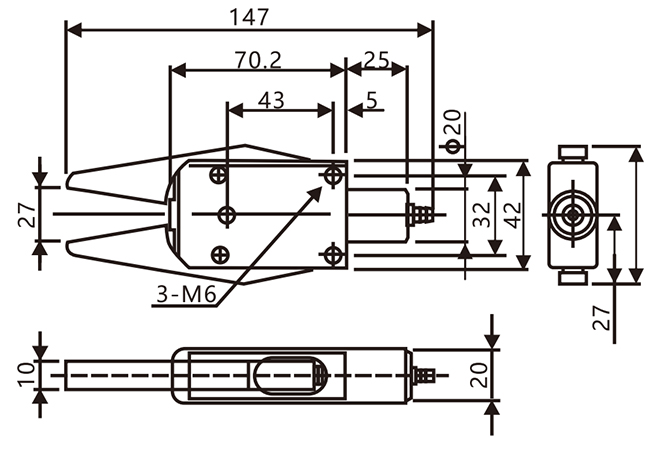
Mini-EX-20

Dongguan Delispeed Industrial Co., Ltd. is a professional service enterprise in the injection molding industry, specializing in the sale and purchase of second-hand injection molding machines, maintenance and repair of injection molding machines, robotic arms, system electronic circuit boards, servo drives, energy-saving retrofits for injection molding, as well as the sale of peripheral equipment, accessories, and consumables for injection molding machines.

  • Detailed